La Zeppelin Mini Pincher est une mini-pelle sur chenilles à essence conçue pour les travaux de terrassement, tranchées et petites démolitions. Son moteur Briggs & Stratton 13,5 HP, sa rotation à 360° et son châssis compact offrent puissance, stabilité et maniabilité sur tous les terrains.
📌 Caractéristiques principales
- Moteur : Briggs & Stratton 420 cc, essence 4 temps OHV Stage V
- Puissance : 13,5 ch
- Poids : 710 kg
- Rotation de la tourelle : 360°
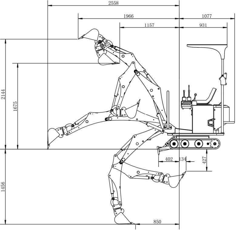
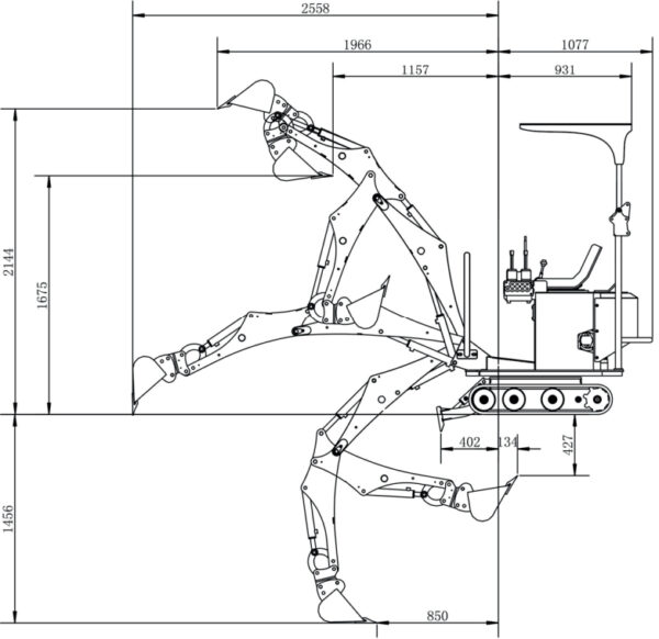
- Profondeur de fouille : 1456 mm
- Portée maximale : 2558 mm
- Hauteur de travail : 2144 mm
- Pompe hydraulique : 3,2 cc – 160 bar – 6,4 L/min
- Réservoir hydraulique : 23 L
- Lame niveleuse avant : largeur 740 mm
- Chenilles caoutchouc 150 x 72 x 31 mm
- Godet inclus : 20 cm
- Vitesse de déplacement : jusqu’à 3 km/h
- Capacité de pente : 30°
La mini-pelle Zeppelin Mini Pincher 13,5 HP est l’outil idéal pour les professionnels du bâtiment, les paysagistes ou les particuliers exigeants.
Son moteur Briggs & Stratton 420 cm³ garantit puissance, fiabilité et faible consommation, tout en respectant la norme EU Stage V pour de faibles émissions.
Compacte avec seulement 950 mm de largeur, elle accède aisément aux espaces restreints tout en offrant une stabilité exemplaire grâce à ses chenilles en caoutchouc.
La superstructure pivotante à 360° et la profondeur de fouille de 1456 mm permettent un travail précis et efficace sur les chantiers de terrassement, tranchées ou nivellement.
La lame niveleuse avant facilite le remblayage et le nettoyage. Les commandes hydrauliques précises assurent une réponse fluide et un contrôle optimal.
Livrée avec un godet de 20 cm, la Mini Pincher est prête à l’emploi dès la livraison.
❓ FAQ – Nos conseils d’experts Jabot
La Mini Pincher convient-elle aux particuliers ?
Oui, sa compacité et sa facilité d’entretien la rendent idéale pour un usage domestique ou professionnel.
Peut-on utiliser d’autres godets ?
Oui, des godets de tailles différentes peuvent être montés selon le type de chantier.
Quel carburant utiliser ?
La Zeppelin Mini Pincher fonctionne à l’essence sans plomb (moteur 4 temps).













